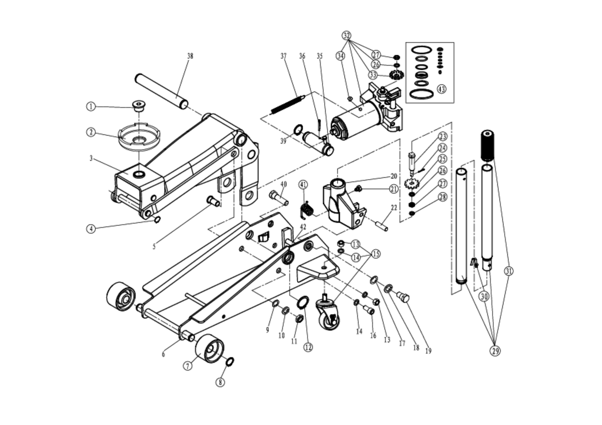
Cric hydraulique 3 tonnes
Réf :
71497
Marque non renseignée
Partager l'annonce
Afficher un numéro
02 51 07 72 39
Produits suggérés
Article SCAR
affichage prix HT
Non visible site Scar
Choix des pros Magasin Automne 2025
Chandelle avec système de positionnement à levage automatique. La montée se déclenche automatiquement...
Voir le produit
Paire de chandelles 3 tonnes
Prix HT :
Prix HT :
-
0
%
Article SCAR
Non visible site Scar
Hauteur mini : 580 mm. Hauteur maxi : 1 050 mm.
Voir le produit
Chandelle à goupille 16T
-
0
%
Article SCAR
Non visible site Scar
Corps en fonte. Modèle homologué. Construction robuste. Valve de sécurité contre les surcharges.
Voir le produit
Cric hydraulique 15 T
-
0
%
Article SCAR
Non visible site Scar
Corps en fonte. Modèle homologué. Construction robuste. Valve de sécurité contre les surcharges.
Voir le produit
Cric hydraulique 12 T
-
0
%
Article SCAR
affichage prix HT
Sélection pièces
Flyer Hiver
Grue d'atelier pliante 1 tonne. 6 roues pivotantes. Hauteur de fourches : 17 cm. Hauteur du crochet max...
Voir le produit
Grue atelier pliante 1 T
Des questions sur ce produit ?
Partager l'annonce
Demande d'information
Hauteur minimale : 130 mm.
Hauteur maximale : 465 mm.
Fonction de levage rapide et de ralentissement.
Poids : 28,9 kg.